Feb 3, 2026, 09:39 AM
by
Catherine Lees
.png?sfvrsn=3f41c892_1)
Situation
A leading luxury cruise liner operator approached SNP seeking a solution to an ongoing emissions-related challenge affecting its vessels.
The ships were equipped with hybrid exhaust gas scrubbers designed to treat exhaust gases and control sulphur dioxide and particulate matter emissions. However, since delivery, the operator had experienced intermittent soot being ejected from the top of the exhaust stacks, resulting in visible soot deposits on deck.
Initial investigations identified the scrubber demisters as a potential contributing factor. Following the replacement of the demisters at the top of the scrubber units, exhaust conditions showed a noticeable improvement. Despite this, soot deposits continued to appear on deck.
Further analysis suggested that residual soot deposits within the exhaust silencers were becoming detached during operation, particularly after engine shutdown. To address this, the operator sought a modification that would enable fresh water to be sprayed into the exhaust system once the engines had stopped and the demister cleaning cycle had completed with the aim of dislodging the residual deposits back into the scrubber system for processing.
Challenges
- The scrubbed exhaust gas was mildly acidic with a high humidity so any spray components needed to be made of non-corrosive materials
- The nozzles needed to withstand the temperatures in the scrubbers- when the scrubbers are operating the normal exhaust temperature leaving the stacks is about 5°-10° above sea water temperature. When operating on marine gas oil the exhaust gas was in the region of 180 -190°C.
- Water pressure at this point in the system was about 1.5 - 2 bar
Solution
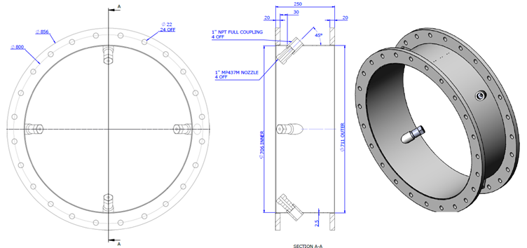
SNP designed and manufactured four bespoke spool pieces equipped with MP437M full cone nozzles to remove soot from the exhaust stack.


The product
MaxiPass
1" NPT, MP437M, 316 St/Steel
Angle: 90°
Pressure: 1.5-2bar
Flowrate: 82.6-94.7lpm

Results
The installed cleaning system performed successfully, with
the operator reporting a noticeable reduction in soot emissions and deck
deposits.
Due to the positive results, the customer decided to
further test MP nozzles in Cobalt alloy for even higher-temperature
applications, indicating strong confidence in SNP’s engineering approach.
The solution not only resolved the immediate emission issue
but also provided a scalable and maintainable system that supports ongoing
compliance with environmental regulations.